Your Files Are Being Processed
Please Wait
Contact Information
Phone: 630-350-2200
Toll Free: 1-800-49-AARON
Email: websales@aaronequipment.com
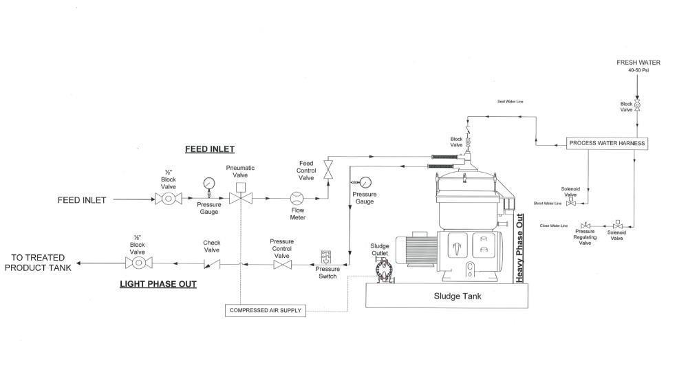
Used Alfa Laval Desludger Disc Centrifuge, Stainless Steel Bowl, Model MOPX 207SGT-24, with EX Rated Control Panel. The oils to be separated must have a minimum flash point of 60 degrees C. The maximum allowable density of the operating water is 1,000 kg/m, with a maximum operating water pressure of 200 kPa. The maximum density of sediment and feed is 1,989 kg/m and 1,100 kg/m respectively. The separator has a maximum hydraulic capacity of 7,400 liters per hour. Process capacity is defined as the maximum oil flow at the maximum permissible oil density of 991 kg/m at 15 degrees C. Driven by a 7.5hp, 3/60/230-460V motor.
| Manufacturer | Alfa LavalAlfa Laval |
| Model | MOPX-207 |
| Category | CentrifugesCentrifuges |
| Subcategory | Disc AutomaticDisc Automatic |
Manufacturer: Alfa Laval
Model: MOPX 207SGT-24
Machine Type: Desludger Disc Stack Centrifuge / Separator
Bowl Construction: Stainless Steel
Control Panel: EX (Explosion) Rated
Application: Oil purification and separation
This used Alfa Laval MOPX 207SGT-24 desludger disc centrifuge is a high-performance centrifugal separator designed for continuous oil purification and solids removal in industrial and hazardous-area environments. Featuring a stainless steel bowl and an EX-rated control panel, this unit is suitable for applications involving flammable or combustible oils with defined safety requirements.
The separator is engineered for oils with a minimum flash point of 60°C, supporting safe operation in regulated processes. With a maximum hydraulic capacity of 7,400 liters per hour, the MOPX 207 provides efficient separation of oil, water, and solids while maintaining consistent process performance across varying densities.
Manufacturer: Alfa Laval
Model: MOPX 207SGT-24
Type: Desludger disc stack centrifuge
Bowl Material: Stainless steel
Control Panel: EX rated
Drive Motor:
Power: 7.5 HP
Electrical: 3 Phase / 60 Hz / 230–460 Volt
Minimum Oil Flash Point: 60°C
Maximum Hydraulic Capacity: 7,400 LPH
Density Limits:
Operating Water Density (Max): 1,000 kg/m³
Operating Water Pressure (Max): 200 kPa
Sediment Density (Max): 1,989 kg/m³
Feed Density (Max): 1,100 kg/m³
Process Capacity Definition:
Maximum oil flow at oil density 991 kg/m³ at 15°C
Fuel oil purification
Lubricating oil cleaning
Industrial oil separation
Removal of water and solids from oils
Hazardous-area oil processing
Continuous desludging operations
Separating water and solids from fuel oils
Purifying lubricating oils
Continuous sludge removal from oil streams
Protecting downstream equipment
Improving oil quality and service life
Operating in EX-rated or hazardous environments
Fuel oils
Lubricating oils
Hydraulic oils
Industrial process oils
Marine oils
Engine oils
Turbine oils
Process fluids
Recovered oils
Industrial lubricants
Disc centrifuge
Oil separator
Alfa Laval centrifuge
Desludger centrifuge
Used centrifuge
Oil purifier
Industrial centrifuge
Stainless steel centrifuge
EX rated centrifuge
Disc separator
Alfa Laval MOPX centrifuge
Used disc stack centrifuge
Oil desludger centrifuge
Industrial oil separator
EX rated oil centrifuge
Stainless steel disc centrifuge
Used Alfa Laval separator
Continuous oil purifier
Hazardous area centrifuge
Oil purification equipment
Used Alfa Laval MOPX 207SGT-24 disc centrifuge
Desludger centrifuge for oil purification
EX rated disc stack centrifuge for hazardous areas
Industrial oil separator with stainless steel bowl
Used Alfa Laval oil desludger centrifuge for sale
Continuous oil purification centrifuge system
Disc centrifuge for fuel and lube oil separation
Used industrial oil separator 7,400 LPH
Hazardous area oil centrifuge
Disc stack separator for industrial oils
used industrial centrifuge
oil purification equipment
disc stack separator
industrial oil separator
hazardous area processing equipment
stainless steel process equipment
continuous centrifuge
desludging centrifuge
oil cleaning system
used Alfa Laval equipment
buy Alfa Laval centrifuge
used disc centrifuge for sale
oil separator centrifuge for sale
desludger centrifuge price
EX rated centrifuge for sale
used oil purification system
industrial oil centrifuge for sale
used Alfa Laval separator
hazardous area oil separator
continuous oil purifier for sale
sell Alfa Laval centrifuge
sell disc centrifuge
sell oil separator
surplus oil purification equipment
sell desludger centrifuge
used centrifuge seller
sell industrial oil separator
sell hazardous area equipment
industrial centrifuge marketplace
used oil processing equipment for sale
Used Alfa Laval Desludger Disc Centrifuge, Stainless Steel Bowl, Model MOPX 207SGT-24, with EX Rated Control Panel. The oils to be separated must have a minimum flash point of 60 degrees C. The maximum allowable density of the operating water is 1,000 kg/m, with a maximum operating water pressure of 200 kPa. The maximum density of sediment and feed is 1,989 kg/m and 1,100 kg/m respectively. The separator has a maximum hydraulic capacity of 7,400 liters per hour. Process capacity is defined as the maximum oil flow at the maximum permissible oil density of 991 kg/m at 15 degrees C. Driven by a 7.5hp, 3/60/230-460V motor.
Manufacturer: Alfa Laval
Model: MOPX 207SGT-24
Machine Type: Desludger Disc Stack Centrifuge / Separator
Bowl Construction: Stainless Steel
Control Panel: EX (Explosion) Rated
Application: Oil purification and separation
This used Alfa Laval MOPX 207SGT-24 desludger disc centrifuge is a high-performance centrifugal separator designed for continuous oil purification and solids removal in industrial and hazardous-area environments. Featuring a stainless steel bowl and an EX-rated control panel, this unit is suitable for applications involving flammable or combustible oils with defined safety requirements.
The separator is engineered for oils with a minimum flash point of 60°C, supporting safe operation in regulated processes. With a maximum hydraulic capacity of 7,400 liters per hour, the MOPX 207 provides efficient separation of oil, water, and solids while maintaining consistent process performance across varying densities.
Manufacturer: Alfa Laval
Model: MOPX 207SGT-24
Type: Desludger disc stack centrifuge
Bowl Material: Stainless steel
Control Panel: EX rated
Drive Motor:
Power: 7.5 HP
Electrical: 3 Phase / 60 Hz / 230–460 Volt
Minimum Oil Flash Point: 60°C
Maximum Hydraulic Capacity: 7,400 LPH
Density Limits:
Operating Water Density (Max): 1,000 kg/m³
Operating Water Pressure (Max): 200 kPa
Sediment Density (Max): 1,989 kg/m³
Feed Density (Max): 1,100 kg/m³
Process Capacity Definition:
Maximum oil flow at oil density 991 kg/m³ at 15°C
Fuel oil purification
Lubricating oil cleaning
Industrial oil separation
Removal of water and solids from oils
Hazardous-area oil processing
Continuous desludging operations
Separating water and solids from fuel oils
Purifying lubricating oils
Continuous sludge removal from oil streams
Protecting downstream equipment
Improving oil quality and service life
Operating in EX-rated or hazardous environments
Fuel oils
Lubricating oils
Hydraulic oils
Industrial process oils
Marine oils
Engine oils
Turbine oils
Process fluids
Recovered oils
Industrial lubricants
| Manufacturer | Alfa Laval |
| Model | MOPX-207 |
| Category | Centrifuges |
| Subcategory | Disc Automatic |
Disc centrifuge
Oil separator
Alfa Laval centrifuge
Desludger centrifuge
Used centrifuge
Oil purifier
Industrial centrifuge
Stainless steel centrifuge
EX rated centrifuge
Disc separator
Alfa Laval MOPX centrifuge
Used disc stack centrifuge
Oil desludger centrifuge
Industrial oil separator
EX rated oil centrifuge
Stainless steel disc centrifuge
Used Alfa Laval separator
Continuous oil purifier
Hazardous area centrifuge
Oil purification equipment
Used Alfa Laval MOPX 207SGT-24 disc centrifuge
Desludger centrifuge for oil purification
EX rated disc stack centrifuge for hazardous areas
Industrial oil separator with stainless steel bowl
Used Alfa Laval oil desludger centrifuge for sale
Continuous oil purification centrifuge system
Disc centrifuge for fuel and lube oil separation
Used industrial oil separator 7,400 LPH
Hazardous area oil centrifuge
Disc stack separator for industrial oils
used industrial centrifuge
oil purification equipment
disc stack separator
industrial oil separator
hazardous area processing equipment
stainless steel process equipment
continuous centrifuge
desludging centrifuge
oil cleaning system
used Alfa Laval equipment
buy Alfa Laval centrifuge
used disc centrifuge for sale
oil separator centrifuge for sale
desludger centrifuge price
EX rated centrifuge for sale
used oil purification system
industrial oil centrifuge for sale
used Alfa Laval separator
hazardous area oil separator
continuous oil purifier for sale
sell Alfa Laval centrifuge
sell disc centrifuge
sell oil separator
surplus oil purification equipment
sell desludger centrifuge
used centrifuge seller
sell industrial oil separator
sell hazardous area equipment
industrial centrifuge marketplace
used oil processing equipment for sale
We pay "Top Dollar" for your idle process equipment! Fill out our form and our buying team will get back to you.
SELL YOUR EQUIPMENTView our entire process equipment inventory online or visit our location for an equipment inspection.
View Inventory